PRODUCTS 製品紹介
排水性舗装の排水機能を発揮させる円形水路
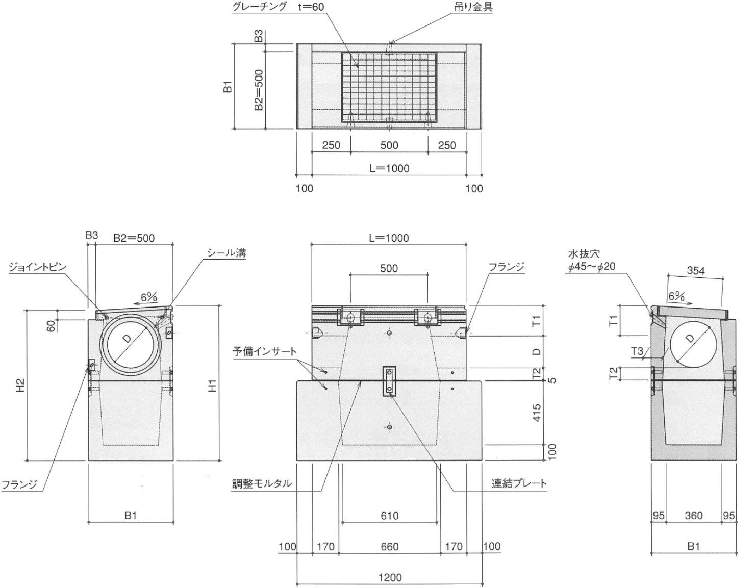
アクアラン
NETIS:KK-170050-A
特徴
-
降雨実験による最適な排水機能を有する設計・構造
-
円型水路集水部の排水性舗装薄層化を追求した呑み口構造
-
コンクリート二次製品市場製品図集に準拠した設計荷重T-25による設計・構造
アクアラン
基本
| 呼び名 | 寸法(mm) | 参考重量
(kg) |
|||||||||
|---|---|---|---|---|---|---|---|---|---|---|---|
| D | B1 | B2 | B3 | H1 | H2 | T1 | T2 | T3 | L | ||
| 300A | 300 | 550 | 500 | 50 | 475 | 445 | 95 | 80 | 125 | 2,000 | 855 |
| 300B | 300 | 550 | 500 | 50 | 575 | 545 | 195 | 80 | 125 | 2,000 | 1,120 |
| 400A | 400 | 550 | 500 | 50 | 575 | 545 | 95 | 80 | 75 | 2,000 | 855 |
| 400B | 400 | 550 | 500 | 50 | 675 | 645 | 195 | 80 | 75 | 2,000 | 1,120 |
| 500A | 500 | 650 | 500 | 150 | 720 | 690 | 130 | 90 | 75 | 2,000 | 1,205 |
グレーチング付
| 呼び名 | 寸法(mm) | 参考重量
(kg) |
|||||||||
|---|---|---|---|---|---|---|---|---|---|---|---|
| D | B1 | B2 | H1 | H2 | h | T1 | T2 | T3 | L | ||
| 300A-G | 300 | 550 | 500 | 475 | 445 | 60 | 95 | 80 | 125 | 2,000 | 810 |
| 400A-G | 400 | 550 | 500 | 575 | 545 | 60 | 95 | 80 | 75 | 2,000 | 810 |
※ Bタイプについては相当係員にご相談ください。
桝
| 呼び名 | 寸法(mm) | 参考重量
(kg) |
|||||||||
|---|---|---|---|---|---|---|---|---|---|---|---|
| D | B1 | B2 | B3 | H1 | H2 | T1 | T2 | T3 | L | ||
| 300A-M | 300 | 550 | 500 | 50 | 995 | 965 | 95 | 80 | 125 | 1,000 | 840 |
| 300B-M | 300 | 550 | 500 | 50 | 1,095 | 1,065 | 195 | 80 | 125 | 1,000 | 930 |
| 400A-M | 400 | 550 | 500 | 50 | 1,095 | 1,065 | 95 | 80 | 75 | 1,000 | 860 |
| 400B-M | 400 | 550 | 500 | 50 | 1,195 | 1,165 | 195 | 80 | 75 | 1,000 | 950 |
| 500A-M※ | 500 | 650 | 500 | 150 | 720 | 690 | 130 | 90 | 75 | 1,000 | 460 |
※ 500A-Mは、上桝のみの構造となっております。下桝については、別途対応いたしますので、担当係員にご相談ください。
LINEUP
-
防草水路
歩道・車道の両側に防草対策目地を設けた水路付歩車道境界ブロック
NETIS:KK-200064-A
ひょうごの土木技術:210001 -
ワンタッチベース
歩車道境界ブロックと基礎コンクリートを一体化したベース付歩車道境界ブロック
NETIS:KK-200035-A
ひょうごの土木技術:200002 -
自転車道エプロン
自転車の路肩走行に配慮したLU型側溝
NETIS:KK-190033-A
ひょうごの土木技術:200001 -
つみき礎ハンドホール
ハンドホールと基礎コンクリートを一体化したベース付ハンドホール製品
NETIS:KK-210032-A
ひょうごの土木技術:210003 -
グッドレイン
縁石一体蓋とU型水路を、くし型でかみ合わせた構造で接続した縁石一体型側溝(2型)
NETIS:KK-170063-A
ひょうごの土木技術:180013 -
K-S型集水縁石
歩道切下げ部で水溜りを解消できる組み合わせ暗渠ブロック
NETIS:KK-210068-A
ひょうごの土木技術:210004 -
防草エプロン
雑草対策の目地構造を取付けたL型側溝
-
集水エプロン
縁石部に集水孔を設け、連続排水を可能にしたLU型側溝
ひょうごの土木技術:180010 -
ため池基礎・天端ブロック
ため池で用いられる張り(階段)ブロックの基礎・天端コンクリートをプレキャスト化した製品
兵庫県土地改良事務所に準拠したブロック -
水密ステップブロック
階段ブロックのプレキャスト製品
-
横断用ロングU(Zアングル付)
横断箇所の現場打側溝をプレキャスト化。
溝幅300~500mmに対応 -
ロングU・街渠桝
「コンクリート二次製品構造規格(案)近畿版」に準拠した溝幅300~500mmの側溝
-
エプロン
「コンクリート二次製品構造規格(案)近畿版」に準拠したL型側溝
-
UDラインブロックI 型
自転車の走行に配慮した車両乗入部の歩車道境界ブロック(大阪府型)
NETIS:KK-170050-A -
アクアラン
排水性舗装の排水機能を発揮させる円形水路
-
JIS製品
歩車道境界ブロック・U字溝
-
どのうくん
U型用水路の水入れ用堰止めブロック
(W=200・250・300に対応) -
斜角門形カルバート
内空3~10m、水路と道路の交差角を90~60度まで自由に設計できる門型カルバート
-
残存型枠
薄肉プレキャスト・セメントコンクリート製の型枠製品と組立部材を使用した型枠パネル
-
インフラ保全技術協会
既設構造物(水路)の補修工法
-
マルチマット
厚さ6ミリのGRC製小平板が、防草シートに固定されているブロックマット工法
-
ホライズンⅡ
背面版一体型、5部勾配1.677㎡/個の大型ブロック
-
サンエス
間知ブロックと同じ控え(350mm)のまま
大型化(2個/㎡)した積みブロック -
ナウロック
土圧の大きさに応じて控え長を変化できる
大型ブロック積み擁壁